数控磨床出现F57报警怎么处理?
数控系统:西门子3M系统。
故障现象:这台数控磨床一次出现故障,在修整砂轮时出现报警F57 “Cycle time in dressing device”(修整装置摆进超时),指木修整器摆动 超时。
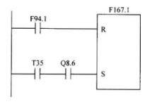
故障分析与检查:根据磨床厂家制造的磨床,精密磨床,工具磨床,平面磨床等数控磨床工作原理,F57报警是因为PLC的标 志位F167.1的状态变为“1”所致,査看关于F167.1的梯形图,如 图1所示,利用系统PLC状态显示功能检查T35和Q8.6的状态都 为“1”,使报警F57的标志位F167.1置“1”,从而产生报警。根据 磨床厂家制造的磨床,精密磨床,工具磨床,平面磨床等数控磨床控制原理,PLC输岀Q8.6是控制修整器摆入的指令信号(图 7-18),为“1”没有问题。
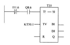
T35的梯形图如图2所示,因为111.6的状态为“0”和 “Q8.6”的状态为“1”使定时器得电触点闭合。111.6连接的是检查 修整器是否到位的接近开关B11.6,对修整器位置进行检査,发现确 实没有到位,所以状态为“0”。根据磨床厂家制造的磨床,精密磨床,工具磨床,平面磨床等数控磨床工作原理,修整器摆动是由液压阀Y86控制的,PLC输岀Q8.6为“1”,电磁阀Y86 ±没有电源, 说明中间继电器K86损坏,如图3所示。
故障处理:更换继电器K86,磨床厂家制造的磨床,精密磨床,工具磨床,平面磨床等数控磨床恢复正常工作。

图1报警F57的梯形图

图2定时器T35的梯形图

图3修整器摆动电磁阀Y86的控制原理图